Por Franco G. Martínez, Guillermo L. Magaldi, Federico M. Serra.
Laboratorio de Control Automático (LCA),
Facultad de Ingeniería y Ciencias Agropecuarias,
Universidad Nacional de San Luis
Se presenta en este trabajo la implementación de una estación de carga para pequeños vehículos eléctricos usando energía solar. El sistema consiste en un panel fotovoltaico, un convertidor de potencia CC-CC Boost, un banco de baterías de respaldo y un convertidor de potencia CC-CC Buck. El sistema realiza un perfil de carga sobre el banco de baterías de un vehículo eléctrico, obteniendo la energía desde el panel fotovoltaico y/o desde el banco de baterías de respaldo. Este sistema se implementa sobre un prototipo de estructura modular que permite su fácil utilización en diferentes espacios. El desempeño del sistema se comprueba mediante resultados de simulación y experimentales.
Figura 1. Sistema de generación fotovoltaico aislado para carga del vehículo eléctrico
Palabras clave: Baterías. Convertidor de potencia. Panel fotovoltaico. Vehículo Eléctrico.
Introducción
La movilidad eléctrica es un área de interés actual tanto a nivel local como internacional, ya que grandes ciudades están presentando indicios de transición hacia la utilidad de vehículos eléctricos [1]. Este cambio tiene como metas dos objetivos, por un lado, la eficiencia energética, ya que los motores eléctricos presentan mayor rendimiento que los motores a combustión, y por el otro lado los motores eléctricos no generan ningún tipo de polución, lo que contribuye a una reducción de los gases tóxicos emitidos al medioambiente.
El desarrollo del concepto de movilidad eléctrica se extiende desde la creación de vehículos, que satisfagan la necesidad de cada comunidad, como trenes, taxis, bicicletas o autos, hasta la necesidad de implementar lugares estratégicos de carga para este tipo de vehículos [2].
El aumento de las crecientes tecnologías y el desarrollo de la electrónica de potencia hacen posible la creación de dispositivos electrónicos capaces de extraer energía de fuentes que no sean contaminantes y puedan renovarse naturalmente, como la energía eólica y la energía solar, entre otras. Este conjunto de conocimientos ha permitido el desarrollo de diversas aplicaciones como lo son las fuentes de generación de energía aisladas de la red eléctrica [3][4]. En particular, la energía solar se ha convertido en una valiosa alternativa debido a que es abundante, libre de polución y ruido, y requiere poco mantenimiento [5]. Los sistemas de generación fotovoltaicos se pueden clasificar en dos tipos, los conectados a la red o los aislados, siendo estos últimos utilizados en áreas remotas donde la red eléctrica no es accesible.
Figura 2. Diagrama en bloques del sistema propuesto Los sistemas de generación fotovoltaicos aislados se caracterizan por tener como fuente primaria de energía, paneles o módulos fotovoltaicos y un banco de baterías de respaldo que almacena energía cuando el recurso solar no está disponible o es insuficiente, como ocurre en horarios nocturnos. Estos sistemas de generación fotovoltaicos aislados pueden utilizarse a su vez como infraestructura de carga del vehículo eléctrico [4, 6-7].
En este trabajo se propone la implementación de un sistema como el que se muestra en la figura 1, que permita la carga de un banco de baterías de un pequeño vehículo eléctrico como una bicicleta [8-9].
Sistema propuesto
El sistema propuesto como estación de carga de pequeños vehículos eléctricos se muestra en la figura 2. Está compuesto por un panel fotovoltaico, un convertidor corriente continua-corriente continua (CC-CC) tipo Boost y un convertidor CC-CC tipo Buck. Se adiciona al sistema, como elemento almacenador de energía, un banco de baterías de respaldo conectado a la barra de CC. El control del sistema realiza dos funciones: por un lado, mantiene la tensión en bornes del banco de baterías de respaldo [10], y por otro realiza el perfil de carga predeterminado sobre el banco de baterías del vehículo eléctrico [11].
Figura 3. Clasificación según uso de baterías Los perfiles de carga dependen de las aplicaciones de las baterías y de cómo será utilizada la energía, es decir, si la batería será utilizada como fuente principal de energía o se utilizará como fuente de reserva o respaldo. La figura 3 muestra una clasificación de las baterías según su uso y cuáles son los métodos de carga convenientes para cada caso [12].
Entre los métodos que se muestran en la figura 3, el más utilizado es el método de corriente constante-tensión constante debido a que garantiza una carga segura y preserva la vida útil [13]. En este método en particular tanto la corriente como la tensión se controlan en dos etapas diferentes. En la primera de ellas, denominada “de carga principal (o rápida)” se mantiene una corriente constante que circula a través de la batería hasta el instante que llega a un nivel de tensión límite, determinado por las características de la batería. De esta manera se limita el consumo de corriente absorbida dadas las características iniciales, además de que la tensión crecerá lentamente. Este proceso se realiza hasta alcanzar el ochenta por ciento (80%) de la carga aproximadamente. En la segunda etapa, llamada también “modo de carga de absorción”, se mantiene la tensión constante mientras que la batería continúa “absorbiendo” carga (corriente) desde el cargador. Durante esta etapa, la corriente disminuirá gradualmente a medida que se completa el proceso de carga. Ambas etapas se muestran en la figura 4.
Figura 4. Perfil de carga corriente constante-tensión constante
Implementación del sistema propuesto
Panel fotovoltaico
Para el sistema propuesto, se utiliza un módulo fotovoltaico de Siemens (modelo M75)de 48 watts con 33 celdas monocristalinas de alta eficiencia en serie, con las características mencionadas en la tabla 1 [14].
Convertidor CC-CC Boost
Con el objetivo de regular la tensión en bornes sobre un banco de baterías de respaldo de 48 volts desde un panel fotovoltaico de tensión nominal de doce volts, se utiliza un convertidor CC-CC tipo Boost cuyo diagrama se muestra en la figura 5.
Suponiendo que el panel fotovoltaico utilizado opera en el punto de máxima potencia, se utilizan los valores de tensión y corriente dados en la tabla 1, para el diseño de los componentes del convertidor Boost. La frecuencia de conmutación fS se fijó en veinte kilohertz (20 kHz). De [15] se obtuvo la relación de trabajo d 1 de la llave S 1. Teniendo en cuenta que el banco de baterías de respaldo es de 48 volts y el convertidor trabaja en modo de conducción continua (MCC), se tiene (1).
Figura 5. Topología del convertidor Boost d 1 = 1 – (V PV /V BR) = 1 – (15,9 V/48 V) = 0,67 (1)
V PV es la tensión de la fuente (módulo solar) y V BR, la tensión del banco de baterías de respaldo.
El valor de la inductancia necesario para obtener de esta ripple una corriente del diez por ciento (10%) se calcula como (2).
L 1 = V PV d 1 /fΔI = (15,9 V 0,67)/(20 10 3 Hz 0,3 A) = = 1,77 mHy (2)
El valor del capacitor C 1 se calcula para lograr tener una tensión de ripple del diez por ciento (10%), sobre el banco de baterías de respaldo. Además, la corriente de salida del convertidor I BR, para este punto de trabajo es (3) y (4).
Tabla 1. Características eléctricas del módulo solar M75 I BR = I PV (1 – d 1) = 3,02 (1 – 0,67) = 0,99 A (3)
C 1 = I BR d 1 /fΔ c = (0,99 A 0,67)/(20 10 3 Hz 4,8 V) = = 6,97 μF [4]
En la tabla 2 se muestran los valores de los componentes del convertidor elevador Boost, en esta tabla se representa los valores comerciales utilizados para desarrollar el convertidor de potencia, mostrados en el diagrama de la figura 5. Para la fabricación del inductor se utilizó un núcleo toroidal de diámetro exterior de 26,9 milímetros diámetro interior de catorce (14 mm) y una altura de 7,9, el cual se bobinó con un cable tipo litz para contrarrestar el efecto skin. El cable litz está compuesto por tres conductores AWG 25.
Como este convertidor funciona como regulador de tensión, se debe variar el ciclo de trabajo según el diagrama en bloques de la figura 6 [10].
Tabla 2. Características del convertidor Boost
Convertidor CC-CC Buck
En la figura 7 se muestra el conexionado de los componentes del convertidor CC-CC tipo Buck [15] cuya fuente de energía es el banco de batería de respaldo y la carga es el banco de baterías del vehículo eléctrico.
Suponiendo condiciones estables de funcionamiento, se obtiene la relación de trabajo d 2 de la llave S 2 según la expresión (5).
d 2 = 1 – (V VE /V BR) = 1 – (36 V/48 V) = 0,75 (5)
Se fijó una corriente de referencia en I VE de una amper (1 A). Como la variación del ripple de corriente pico a pico perjudica la vida útil de las baterías, se estableció una variación de corriente de salida ΔI VE del diez por ciento (10%), es decir, ΔI VE de 0,1 amperes, sabiendo que la frecuencia de conmutación es de veinte kilohertz (20 kHz), si se reemplazan estos valores y tras el desarrollo, se tiene el valor de la inductancia L 2, como se muestra en (6).
Figura 6. Diagrama en bloques regulador de tensión. L 2 = (V VE d 2 (1 – d 2))/fΔI =
=(48 V 0,75 (1 – 0,75))/(20 10 3 Hz 0,1 A) =
=4,5 mHy
(6)
Para obtener el valor de capacidad del capacitor C 2, se procede de manera análoga para calcular el valor del inductor. Por diseño del sistema se pretende tener un ripple de tensión del diez por ciento (10%), esto implica que ΔV C será de 7,2 volts, por lo que si se reemplazan estos valores en la ecuación, se obtiene (7).
Figura 7. Topología del convertidor Buck (7)
En la tabla 3 se muestran los valores comerciales de los componentes utilizados para llevar a cabo el convertidor de potencia Buck mostrado en la figura 7.
Para la construcción del inductor L2 se procedió de manera análoga a la fabricación del inductor L1 del convertidor boost.
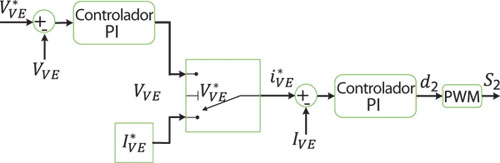
La carga de las baterías de vehículo eléctrico se realiza según el perfil de carga detallado en la sección “Sistema propuesto”, cuyo diagrama en bloques se muestra en la figura 8. Este consta de un lazo de control para la corriente y otro para la tensión, además, hay un bloque comparador que se encarga de ejecutar una u otra acción de control dependiendo de las condiciones del sistema [10] [13].
Figura 8. Diagrama en bloques control de corriente constante-tensión constante El sistema propuesto se implementó sobre una estructura soporte y de forma modular, lo cual se muestra en la figura 9.
Resultados obtenidos
Se presentan en esta sección los resultados de simulación y experimentales obtenidos en cuanto al desempeño y funcionamiento del sistema propuesto.
La figura 10 muestra el perfil de carga utilizado en el sistema. Se observa que, al iniciar el proceso de carga, la corriente se mantiene constante y en el valor de referencia de tres amperes (3 A), mientras que la tensión crece hasta alcanzar el valor de tensión de cuarenta volts (40 V). En este punto, el control conmuta y pasa a control de tensión, donde la corriente comienza a decrecer paulatinamente mientras que la tensión se mantiene constante en un valor de referencia.
Tabla 3. Características del convertidor Buck En la figura 11 se muestran las potencias desarrolladas en el sistema durante el proceso de carga cuando ocurre un cambio de la irradiancia sobre el panel fotovoltaico. En la figura 11a, a las 0,5 horas se presenta un cambio en la irradiancia de mil watts (1.000 W) por metro cuadrado a 750. En ese instante, la potencia desarrollada por el panel fotovoltaico disminuye y la potencia entregada por la batería de respaldo aumenta, compensando el faltante de potencia y continuando con la carga del banco de baterías del vehículo eléctrico, lo cual se muestra en la figura 11b.
En las figuras 12 y 13 se muestran imágenes que demuestran experimentalmente los resultados obtenidos durante el ciclo de carga, utilizando los parámetros anteriormente mencionados en la sección “Implementación del sistema propuesto”. Durante el proceso de carga, el control de corriente mantiene una corriente de un amper (1 A) de valor medio y se observa cómo la tensión del banco de baterías crece hasta alcanzar la tensión de referencia fijada en cuarenta volts (40 V), como se observa en la figura 12.
Figura 9. Implementación del sistema propuesto en estructura modular
Cuando V*VE es igual a VVE, el control conmuta pasando a control de tensión constante, en este instante la tensión se mantiene fija en cuarenta volts (40 V) y la corriente comienza a decaer gradualmente hasta alcanzar un valor determinado para indicar que la carga ha sido finalizada, lo cual se muestra parcialmente en la figura 13.
Conclusiones
En este trabajo se presentó la implementación de una estación de carga de pequeños vehículos eléctricos. La estrategia de control implementada para llevar a cabo el perfil de carga sobre el banco de baterías del vehículo eléctrico satisface las condiciones de carga predeterminadas mostradas en los resultados experimentales, permitiendo desarrollar una carga segura, preservando la vida útil de las baterías. El sistema implementado en este tipo de estructura modular facilita su montaje en lugares públicos, aislados de la red eléctrica.
Referencias
[1] Turturro, Gastón A., Ubogui, Matías E., “Roadmap and Infrastructure Assessment to Introduce Electro Mobility in Buenos Aires City”. 23th World Energy Congress, Istanbul, 2016.
[2] Fogelberg, Fabian . “Solar Powerd Bike Sharing System with Electric Bikes”, master thesis, Chalmers University of Technology, Göteborg, 2014.
[3] Mohan, Ned; Undelan, Tore M.; Robbins, William P.; “Sistema de electrónica de potencia”, en Electrónica de Potencia, convertidores,aplicaciones y diseño, Mc Graw Hill, Ciudad de México. Pp 3-14.
[4] Pano, Gabriel S., Energía Solar Fotovoltaica, Colegio Oficial de Ingenieros de Telecomunicaciones., Príncipe de Vergara, Madrid.
Figura 10. Perfil de carga, método de corriente constante-tensión constante. Tensión de batería VVE (azul) y corriente IVE (rojo) [5] Magaldi, Guillermo L.; Serra, Federico M.; Silva, Luis I.; “Estrategia de control de gestión de la energía para un sistema fotovoltaico aislado”. XV reunión de trabajo en procesamiento de la información y control, 2015.
[6] Magaldi, Guillermo L.; Serra, Federico M.; De Angelo, Cristian; “Control IDA-PBC de una micro-red aislada utilizada como estación de carga de vehículos eléctricos”. XVI Reunión de trabajo en procesamiento de la información y control, 2017.
[7] De Vasconcellos Quintella, Carlos Octavio, “Veiculos Eletricos (vehículo eléctricos): Conceito e Difinicoes,” en Carros Elétricos, Praia de Botafogo 210-Cobertura 02, Río de Janeiro, pp 17-40.
[8] Pelliteri, F.; Boscaino, V.; Tommaso, A.; Genduso, F.; Miceli, R.; “E-Bike Battery Charging: methods and circuits” en International Conference on Clean Electrical Power (ICCEP), pp. 107-114, 2013.
[9] Trovao, J.; Preirinha, P.; Ferreira, F.; “Comparative Study of Different Electric Machines in the Powertrain of a Small Electric Vehicle” en Proceeding of the 2008 International Conference on Electrical Machines. pp. 1-6, 2003.
[10] Amit Kumar Singh, Abhishek Kumar Agrawal, Simran Vohra, Shailendra Singh Thakur, Gajendra Patel, “Solar Charge Controller,” en International Journal of Acad. Research and Development, noviembre 2017.
[11] Crompton, T. R., “Battery Charging,” en Battery Reference Book, Newnes, 2000, pp. 442-490.
[12] Panasonic, Charging Methods, Methods Of Charging The Valve- Regulated Lead-Acid Battery, Panasonic, agosto 2005.
[13] Serra, Federico; De Angelo, Cristian, “Control de un Cargador de Baterías para Vehículos Eléctricos con Factor de Potencia Unitario”, en XV Reunión de trabajo en procesamiento de la información y control, Octubre, 2015.
[14] Siemens, Installation Guide for the Siemens Solar Industries, M75 Solar Electric Modules, Siemens.
Figura 11. Comportamiento del sistema durante un cambio de irradiancia. a) Irradiancia sobre el panel solar. (b) Potencias del sistema [15] Rashid, Muhammad H., “Convertidores CD-CD,” en Electrónica de Potencia, circuitos, dispositivos y aplicaciones, Prentice Hall, Ciudad de México, 2004, pp. 166-224.
Figura 12. Control de corriente constante (izquierda)
Figura 13. Control a tensión constante
Contacto: Franco G. Martínez
